
Схема обвязки настенного конденсационного котла 45-150 кВт: монтаж без ошибок и рекламаций
Основные характеристики
Отапливаемая площадь:Любая
Мощность, кВт:
45-150 кВт (1 котел)
Кол-во контуров:Любое кол-во котлов
Магистральный диаметр:
Любой
Описание
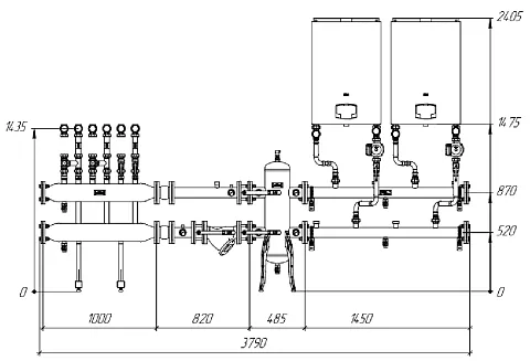
Универсальная обвязка BP-01 подойдет для настенных конденсационных котлов 45-150 кВт 🏭 коммерческого использования следующих моделей c внешним насосом: Ferroli force W, De dietriche AMC, Bosch Condens, ... Описание функционала Отключение котла Перекрываем краны КШ1, КШ3, отсоединяем котел с помощью разъемных соединений СР1, СР1. Защита котла В случае превышения давления срабатывает предохранительный клапан ПК1. Циркуляция теплоносителя Осуществляется с помощью насоса Н, который можно подобрать в зависимости от рабочей точки системы. Замена насоса Перекрываем краны КШ1, КШ3 и снимаем насос с соединений СР3, СР4. Подключение к системе Через разъемные содеиения СР5, СР6, что позволит осуществлять обслуживание обвязки системы без слива лишнего теплоносителя перекрытием кранов КШ2, КШ3.
Совместимые комплекты
Совместимое оборудование
Примеры применения в схемах
1
Описание
Универсальная обвязка BP-01 подойдет для настенных конденсационных котлов 45-150 кВт 🏭 коммерческого использования следующих моделей c внешним насосом: Ferroli force W, De dietriche AMC, Bosch Condens, ...
Описание функционала
- Отключение котла
Перекрываем краны КШ1, КШ3, отсоединяем котел с помощью разъемных соединений СР1, СР1. - Защита котла
В случае превышения давления срабатывает предохранительный клапан ПК1. - Циркуляция теплоносителя
Осуществляется с помощью насоса Н, который можно подобрать в зависимости от рабочей точки системы. - Замена насоса
Перекрываем краны КШ1, КШ3 и снимаем насос с соединений СР3, СР4. - Подключение к системе
Через разъемные содеиения СР5, СР6, что позволит осуществлять обслуживание обвязки системы без слива лишнего теплоносителя перекрытием кранов КШ2, КШ3.







